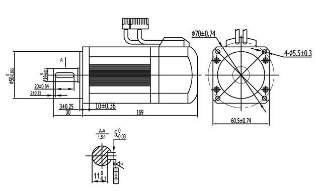
Mini AC Servo 600W 1.9Nm

Application
CNC Machinery,printing equipment, packaging equipment, textile equipment, laser processing equipment, robotics, automated production lines, such as processing precision, processing efficiency and reliability, and other requirements of the relatively high equipment.
| Motor Model | SZGH-06060DC |
| Rated Power(W) | 600 |
| Rated Voltage(V) | 220 |
| Rated Crrent(A) | 3.5 |
| Rated Speed(RPM) | 3000 |
| Rated Torque(NM) | 1.91 |
| Peak Torque(NM) | 5.73 |
| Voltage Constantv10r/min | 34 |
| Torque Coefficient(NM/A) | 0.55 |
| Rotor Inertia(Kg.m²) | 0.39*10 |
| Line-Line Resistance(Ω) | 1.93 |
| Line-Line Inductance(mH) | 10.7 |
| Machanical Time-Constant(Ms) | 5.5 |
| Encoder Resolution(PPR) | 2500 |
| Insulation Class | Class B |
| Safety Class | IP65 |
| The Operating of Evironmental Condition | Temperature:-20℃~+45℃ Humidity Below 90%RH(No drawing) |
| Weight(KG) | 2.07 |







FAQ
Q: What’s is your shipping service?
A: We can provide services for vessel booking, goods consolidation, customs declaration, shipping documents preparation and delivery bulk at the shipping port.
Q: What’s your tem of the delivery?
A: Our ordinary delivery term is FOB SHENZHEN. We also accept EXW, CFR, CIF, DDP, DDU etc. We’ll offer you the shipping charges and you can choose the one which is the most convenient and effective for you.






