GH AC Servo Motor Manufacturers 750W Ac Servo Motor and Driver for CNC Equipment

Features
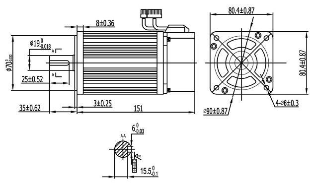
GH-08075DC is eonomic type , 750W servo motor with 80 flange, 2.4Nm, 3000RPM, with international good quality encoder
Application
CNC Machinery,printing equipment, packaging equipment, textile equipment, laser processing equipment,robotics, automated production lines, such as processing precision, processing efficiency and reliability, and other requirements of the relatively high equipment.
| Motor Model | SZGH-08075DC |
| Rated Power(W) | 750 |
| Rated Voltage(V) | 220 |
| Rated Crrent(A) | 3.0 |
| Rated Speed(RPM) | 3000 |
| Rated Torque(NM) | 2.39 |
| Peak Torque(NM) | 7.1 |
| Voltage Constantv10r/min | 9 |
| Torque Coefficient(NM/A) | 0.8 |
| Rotor Inertia(Kg.m²) | 1.82*10 |
| Line-Line Resistance(Ω) | 2.88 |
| Line-Line Inductance(mH) | 6.4 |
| Machanical Time-Constant(Ms) | 2.22 |
| Encoder Resolution(PPR) | 2500 |
| Insulation Class | Class B |
| Safety Class | IP65 |
| The Operating of Evironmental Condition | Temperature:-20℃~+45℃ Humidity Below 90%RH(No drawing) |
| Weight(KG) | 2.9 |







FAQ
Q: Do you provide sample ? Is it free?
A: If the sample is low value, we will provide the free sample with freight collect. But for some high value samples, we need to collect the sample charge.
Q: Can we use our own logo?
A: Yes, we can print your private logo according to your request.






