Mini AC Servo Motor 200W 0.64Nm 3000rpm AC Servo Motor And Motor Driver For Machine Matched CNC Controller

Features
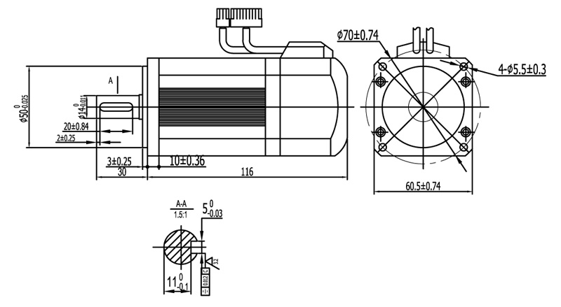
GH-06020DC is 200W servo motor, 3000 rpm, usually applied in lots of high speed equipment, such as: sewing machinery, all kind of CNC equipment.
There is a type servo driver, GH-SD2004, which matching for 200W servo motor.
Application
CNC Machinery,printing equipment, packaging equipment, textile equipment, laser processing equipment,robotics, automated production lines, such as processing precision, processing efficiency and reliability, and other requirements of the relatively high equipment.
| Motor Model | SZGH-06020DC |
| Rated Power(W) | 200 |
| Rated Voltage(V) | 220 |
| Rated Crrent(A) | 1.2 |
| Rated Speed(RPM) | 3000 |
| Rated Torque(NM) | 0.637 |
| Peak Torque(NM) | 1.91 |
| Voltage Constantv10r/min | 30.9 |
| Torque Coefficient(NM/A) | 0.53 |
| Rotor Inertia(Kg.m²) | 0.175*10 |
| Line-Line Resistance(Ω) | 6.18 |
| Line-Line Inductance(mH) | 29.3 |
| Machanical Time-Constant(Ms) | 4.74 |
| Encoder Resolution(PPR) | 2500 |
| Insulation Class | Class B |
| Safety Class | IP65 |
| The Operating of Evironmental Condition | Temperature:-20℃~+45℃ Humidity Below 90%RH(No drawing) |
| Weight(KG) | 1.16 |








FAQ
Q:What is a servo motor used for?
A:In modern cars, servo motors are used to control its speed. When stepping on the gas pedal, it sends electrical signals to the car's computer. The computer then processes that information and sends a signal to the servo attached to the throttle to adjust the engine speed.
Q: May I know what’s the nearest airport from your company?
A: First Shenzhen Airport, then Guangzhou or Huizhou airport, welcome to visit us.
Q: When can I get the quotation?
A: We usually quote within 3 hours after we get your inquiry. If you are very urgent to get the price, please tell us so that we will regard your inquiry priority.
Q: What about the lead time for mass production?
A: 6-8 working days for mass production. It depends on your quantity, and we will try our best to meet your needs.
Q: Can we use our own logo?
A: Yes, we can print your private logo according to your request.
If you have any other questions about our Mini AC Servo Motor 200W 0.64Nm 3000rpm, pls feel free to contact us as below!






